SHAB-F/2-275-40-4P电涌保护器
阅读次数:159 发布时间:2026-03-20
SHAB-F/2-275-40-4P电涌保护器(SPD)—— 4P 全极防护
一、SHAB-F/2-275-40-4P电涌保护器核心介绍:
您在各类低压配电场景采购电涌保护器时,邦华 SHAB-F/2-275-40-4P SPD 专为二级防雷防护定制,精准应对雷电感应、线路操作过电压引发的浪涌危害,可直接并联于配电箱、配电柜回路,快速泄放浪涌电流,全方位保护回路内断路器、接触器、精密仪表等设备,完全适配您的新建项目、老旧系统改造采购需求,严格遵循国家防雷标准,兼顾合规性与防护实用性。

该款电涌保护器采用高品质压敏电阻芯片 + 内置脱扣装置,具备响应速度≤25ns、残压低、耐冲击、免维护核心优势,额定电压 275V、最大放电电流 40kA,4P 全极设计适配 380V 三相四线配电系统,体积紧凑不占机柜空间,大幅降低您的施工安装成本;邦华电气厂家直供,无中间差价,全型号附带 3C 认证、第三方防雷检测报告,支持批量采购、零星补采,2 年质保全程兜底,让您采购无忧、使用安心。
二、SHAB-F/2-275-40-4P电涌保护器核心参数明细:

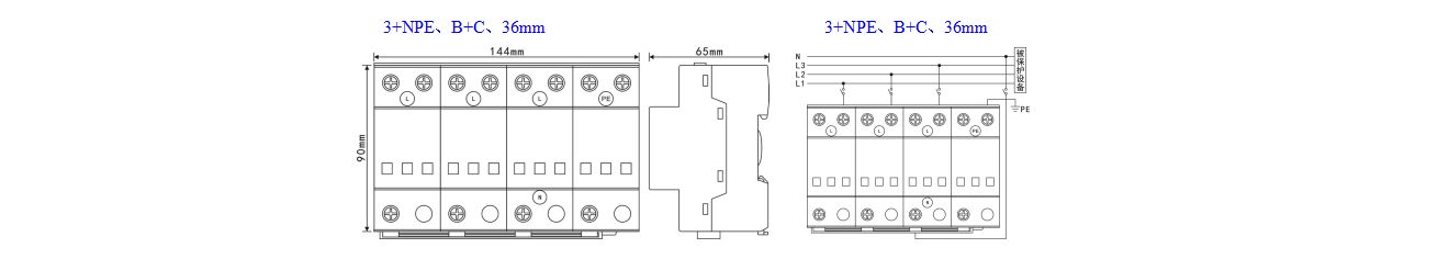
三、SHAB-F/2-275-40-4P电涌保护器尺寸图+接线图:

四、系统接线图:

五、SHAB-F/2-275-40-4P电涌保护器适配场景:
1. 民用建筑场景
住宅小区总配电箱、单元分配电箱:4P 全极适配三相供电,40kA 放电电流满足民用防雷需求,杜绝雷电浪涌烧坏家电、电表
写字楼、商场、酒店配电间:低残压特性保护照明、电梯、中央空调等设备,避免浪涌导致设备故障、线路短路
学校、医院、政务大楼:合规资质齐全,满足公共建筑防雷验收要求,保障人员密集场所用电安全
2. 工业场景
厂房车间配电室、动力配电箱:耐冲击性能强,应对工业设备启停产生的操作过电压,保护电机、变频器、PLC 控制系统
工厂总配电房二级防护:搭配一级 SPD 逐级防护,形成完整防雷体系,避免浪涌逐级传导损坏核心生产设备
仓储物流中心配电系统:适配大面积配电网络,全方位防护各类仓储用电设备,降低故障维修成本
3. 新能源与配套场景
光伏电站汇流箱、逆变器前端:精准匹配光伏配电电压,防护光伏系统浪涌冲击,保障逆变器、汇流箱稳定运行
小型通信机房、监控室配电端:保护监控设备、网络交换机等精密器材,避免浪涌导致数据丢失、设备损坏
充电桩配电系统:适配充电桩 380V 供电回路,防护户外雷电浪涌,保障充电桩安全稳定工作
六、快速选型要点:
电压匹配:您的系统为 380V 三相四线,直接选用该款 275V 额定电压、4P 极数型号,无需额外适配
防护等级:二级防雷专用,安装于总配电箱后、分配电箱前,完美衔接一级、三级防护
采购核验:确认 3C 认证、检测报告齐全,认准邦华电气原厂正品,享受 2 年官方质保

七、购买专属优势:
✅ 厂家直供:邦华电气原厂出品,无中间商,性价比拉满
✅ 资质齐全:3C 认证、防雷检测报告齐全,验收无忧
✅ 现货速发:常规型号现货储备,紧急采购不耽误工期
✅ 售后保障:2 年质保 + 免费选型咨询 + 技术支持
✅ 适配性强:全场景覆盖,民用、工业、新能源通用
八、常见疑问解答:
问:SHAB-F/2-275-40-4P 适合家用还是工业用?
答:家用、工业、商用均适配,尤其适合 380V 三相供电的小区、厂房、商场,是二级防雷通用款。
问:该型号质保多久?售后如何保障?
答:邦华官方质保 2 年,质保期内非人为质量问题免费换新,全程提供技术答疑、安装指导。
问:采购后多久能发货?支持少量采购吗?
答:现货充足,下单速发,支持 1 台起订、批量采购,量大享专属优惠,可开具正规发票。
问:安装需要专业人员吗?
答:安装简便,并联于配电回路即可,我们可提供免费安装示意图,专业电工均可操作。
需要邦华 SHAB-F/2-275-40-4P 电涌保护器精准报价、完整参数资料、选型方案,或核对适配型号,可直接联系我们,1 分钟响应您的采购需求,为您匹配高适配、高可靠的防雷防护产品,省心采购、安心使用。
邦华电气 SHAB-F/2-275-40-4P 电涌保护器,参数清晰、选型简单、场景全覆盖,凭借稳定性能、合规资质、2 年质保及厂家直供优势,完美满足民用建筑、工业厂房、新能源等领域低压配电防雷需求,是您采购电涌保护器的放心之选,持续为您的电气系统安全保驾护航。
相关产品:
| SHAB | SHAB-Z | SHAB-F | SHAB-Y | SHAB-Z/4-420 | SHAB-Z/3-420 |
| SHAB-Z/2-275 | SHAB-F/3-420 | SHAB-F/4-420 | SHAB-F/2-275 | SHAB-Y/3-420 | SHAB-Y/4-420 |
| SHAB-Y/2-275 | SHAB-Z/4-420-120 | SHAB-Z/4-420-100 | SHAB-Z/3-420-100 | SHAB-Z/4-420-80 | SHAB-Z/3-420-80 |
| SHAB-Z/2-275-120 | SHAB-Z/4-420-60 | SHAB-F/4-420-80 | SHAB-F/3-420-80 | SHAB-F/4-420-60 | SHAB-F/3-420-60 |
| SHAB-F/4-420-40 | SHAB-F/2-275-40 | SHAB-F/3-420-30 | SHAB-F/3-420-20 | SHAB-Y/3-420-40 | SHAB-Y/4-420-40 |
| SHAB-Y/2-275-40 | SHAB-Y/3-420-30 | SHAB-Y/2-275-30 | SHAB-Y/1-1502-5 |




