ZH8-4XB40/4P电涌保护器(SPD)
阅读次数:225 发布时间:2026-03-23
ZH8-4XB40/4P电涌保护器(SPD)—— 三相电路防雷设备的优选之选
邦华电气ZH8-4XB40/4P电涌保护器(SPD)是你采购三相电路防雷设备的优选之选,以精准防护筑牢安全防线,以高性价比控制采购成本,以2年质保解决售后顾虑,适配多行业三相配电场景,帮你规避采购错配、品质不达标、运维繁琐等问题。
一、ZH8-4XB40/4P电涌保护器产品概述:
作为三相配电系统防雷防护的核心设备,邦华电气ZH8-4XB40/4P电涌保护器(SPD),专为你的采购场景量身打造,精准适配工业、建筑、新能源、轨道交通、商业综合体等多领域三相380V配电系统采购需求,可快速泄放雷电感应、电网切换、电磁干扰产生的瞬态过电压,高效分流40kA有害浪涌电流,避免后端设备损坏、系统瘫痪,大幅降低你采购后的运维成本和安全风险,是你采购清单中不可或缺的三相电路安全保障设备。

ZH8-4XB40/4P属于II级防护SPD,无需复杂调试,可直接适配现有TN-S、TN-C-S等常见低压配电系统,大幅提升你采购后的安装效率。产品严格遵循GB50057-2010、IEC 61643等国标及国际标准,通过UL、TUV、CE等权威认证,核心采用优质氧化锌阀片等非线性元件,每一台均经过严苛出厂检测,确保防护性能稳定可靠。
不同于普通SPD,邦华电气ZH8-4XB40/4P在兼顾大通流、低残压核心优势的同时,优化生产成本,厂家直供模式打破中间环节,在性能对标国际品牌的基础上,有效降低你的采购成本;同时提供2年质保及完善的售后保障,无论是批量采购还是零散补货,都能满足你的采购时效和品质要求,解决你采购后的所有后顾之忧。
二、ZH8-4XB40/4P型号及参数详解:

型号解读
ZH8——邦华电气专属产品系列代号,代表该型号为三相配电专用防护产品;
4X——防护等级标识,适配三相四线配电回路,兼顾相线与零线全面防护;
B40——通流容量标识,最大放电电流40kA(8/20μs),可有效抵御强感应雷及操作过电压;
4P——极数标识,4极设计(3相+N),全面覆盖三相380V配电回路,防护无死角。
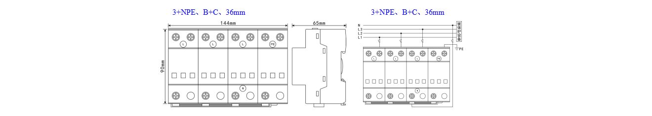
三、ZH8-4XB40/4P电涌保护器尺寸图及接线图:

四、系统接线图:

五、ZH8-4XB40/4P电涌保护器适配场景:
工业配电场景
适配工厂总配电柜、车间分配电箱,尤其适合机械制造、矿山、化工等工业场景,为生产线电机、变频器、PLC控制系统提供稳定防护,避免因电网浪涌、雷电感应导致设备停机、生产中断,保障工业生产连续性;可抵御工业场景中的粉尘、温差带来的防护失效风险,确保生产设备长期稳定运行,降低你后期运维及停产损失。
建筑配电场景
适配写字楼、酒店、住宅小区、医院等建筑的总配电室、楼层分配电箱,为中央空调、电梯、消防系统、安防监控设备等提供全面防护,避免浪涌干扰导致设备故障、信号中断,保障建筑智能化系统正常运转;适配建筑低压配电的不同回路,兼顾民用与商用场景的防护需求,无需额外定制,直接安装即可使用。
新能源光伏场景
适配分布式光伏、集中式光伏电站的逆变器交流侧、汇流箱配电回路,可有效应对光伏系统交流侧高压冲击与雷击浪涌,保护逆变器、并网设备等核心组件,延长设备使用寿命;满足光伏系统高可靠性、高适配性的防护需求,助力新能源发电系统稳定高效运行,适配光伏电站批量采购部署。
轨道交通场景
适配轨道交通信号系统供电回路、车站配电柜、车辆段配电设备,满足高可靠性、高稳定性的严苛防护要求,避免浪涌影响信号传输与设备控制,防止因浪涌导致的运营中断,保障轨道交通运行安全;可耐受轨道交通场景的频繁电压波动,适配复杂的供电环境,符合轨道交通行业安全规范。
商业及公共设施场景
适配商场、超市、体育馆、学校等公共设施的配电系统,为照明设备、收银系统、广播系统、应急电源等提供防雷防护,避免浪涌导致设备损坏、服务中断,保障公共设施正常运营;体积紧凑,适配狭小配电空间,安装便捷,适合批量采购及快速部署。
六、ZH8-4XB40/4P电涌保护器核心特点:
- 高可靠性:核心元件精选优质氧化锌阀片,经过严苛高低温、老化、冲击测试,防雷防护稳定,内置失效脱离装置,当产品失效时可自动切断电路,避免引发短路风险,能有效避免因浪涌导致的设备损坏,降低你采购后的运维成本和停产损失。
- 高性价比:邦华电气源头厂家直供,省去中间代理商环节,在保证防护性能达标的前提下,相比国际品牌,性价比提升30%-40%;批量采购可享专属阶梯优惠,采购量越大,优惠力度越高,帮你精准控制采购预算。
- 适配性强:专为380V三相配电系统设计,4极全防护,适配TN-S、TN-C-S等常见低压供电系统,无需额外改造,可直接适配你现有配电设备,满足工业、建筑、新能源等多场景采购需求,无需额外定制。
- 安装便捷:模块化设计,体积紧凑,接线简单,引线长度≤0.5m即可满足安装要求,可直接嵌入现有配电柜,减少安装工时,降低安装成本,节省你采购后的部署时间。
- 售后完善:提供2年质保服务,质保期内非人为损坏可享受免费维修、更换服务;全国设有售后服务网点,接到售后需求后24小时内响应,专业技术团队提供选型指导、安装咨询及维护指导,解决你采购、安装、运维全流程的顾虑。
- 合规达标:所有产品均严格遵循国标及国际相关标准,通过多项权威认证,采购时可提供完整的认证报告和检测报告,确保符合各行业安全规范及验收要求,无需你额外准备资料。

七、常见疑问解答:
Q1:ZH8-4XB40/4P适合我的配电场景吗?如何快速确认选型,避免错配?
A1:只要你是380V三相配电系统,需要II级防雷防护(分配电、设备前端防护),且场景浪涌强度适中(常规工业、建筑、光伏等场景),ZH8-4XB40/4P完全适配;快速选型看3点:① 配电系统:380V三相(适配);② 防护需求:II级防护、通流40kA(常规场景均适用);③ 安装空间:模块化设计,适配多数配电柜。你可提供具体场景和设备参数,我们专业工程师为你精准确认,避免采购错配。
Q2:批量采购ZH8-4XB40/4P,有什么优惠政策,交货周期多久?
A2:批量采购可享专属阶梯优惠,采购量越大,优惠力度越高;作为邦华电气常规主力型号,交货周期2-7个工作日,批量采购可优先安排生产发货,确保不耽误你的项目进度;采购后提供一对一专属对接服务,全程跟进交货、安装及售后事宜。
Q3:这款SPD可以用万用表检测好坏吗?后期维护需要注意什么?
A3:不可以用万用表检测,建议使用专用SPD测试仪检测;后期维护非常便捷,只需定期检查状态指示窗口(绿色=正常,红色=失效),雷雨季节前后重点巡检,失效后及时更换即可;我们可提供免费维护指导,帮你降低运维成本。
Q4:ZH8-4XB40/4P的2年质保,具体包含哪些服务?
A4:2年质保期自验收合格之日起计算,质保期内,产品因自身质量问题(非人为损坏、自然灾害、违规操作导致)出现故障,可享受免费维修、更换服务;同时提供2年免费技术咨询、安装指导服务,彻底解决你采购后的售后顾虑。
Q5:采购后,能提供认证报告和检测报告吗?方便验收吗?
A5:可以,所有ZH8-4XB40/4P产品均通过UL、TUV、CE等权威认证,严格符合国标要求,采购时可同步提供完整的认证报告、检测报告及出厂合格证明,确保你顺利通过项目验收,无需额外准备资料。
采购三相380V电涌保护器,选对型号、选对品牌,才能真正守护电气系统安全,同时控制采购和运维成本。邦华电气ZH8-4XB40/4P电涌保护器,以40kA大通流、II级精准防护、全场景适配、2年质保,成为你采购三相防雷设备的优选之选,无论是批量采购还是零散补货,我们都能为你提供高效、省心的采购解决方案,筑牢你的电气系统安全防线。
现在咨询,可获取ZH8-4XB40/4P专属采购报价和一对一选型指导,助力你快速完成采购,规避采购风险,省心、省力、更省钱!
相关产品:
| ZH1-A15/2-275 | ZH1-A15/1+NPE-275 | ZH1-A15/3-275 | ZH1-A15/4-275 | ZH1-A15/3+NPE-275 | ZH1-A25/2-275 |
| ZH1-A25/1+NPE-275 | ZH1-A25/3-275 | ZH1-A25/4-275 | ZH1-A25/3+NPE-275 | ZH1-A35/2-275 | ZH1-A35/1+NPE-275 |
| ZH1-A35/3-275 | ZH1-A35/4-275 | ZH1-A35/3+NPE-275 | ZH1-A50/2-275 | ZH1-A50/1+NPE-275 | ZH1-A50/3-275 |
| ZH1-A50/4-275 | ZH1-A50/3+NPE-275 | ZH1-B150/2-420 | ZH1-B150/3-420 | ZH1-B150/4-420 | ZH1-B120/2-420 |
| ZH1-B120/3-420 | ZH1-B120/4-420 | ZH1-B100/2-420 | ZH1-B100/1+NPE-420 | ZH1-B100/3-420 | ZH1-B100/3+NPE-420 |
| ZH1-B100/4-420 | ZH1-B80/2-420 | ZH1-B80/1+NPE-420 | ZH1-B80/3-420 | ZH1-B80/3+NPE-420 | ZH1-B80/4-420 |
| ZH1-B60/2-420 | ZH1-B60/1+NPE-420 | ZH1-B60/3-420 | ZH1-B60/3+NPE-420 | ZH1-B60/4-420 | ZH1-C40/2-420 |
| ZH1-C40/1+NPE-420 | ZH1-C40/3-420 | ZH1-C40/3+NPE-420 | ZH1-C40/4-420 | ZH1-D25/2-385 | ZH1-D25/1+NPE-385 |
| ZH1-D25/3-385 | ZH1-D25/3+NPE-385 | ZH1-D25/4-385 | ZH2-DC24 | ZH2-DC48 | ZH2-DC110 |
| ZH2-DC220 | ZH6-C40/2-500DC | ZH6-C40/2-650DC | ZH6-C40/2-800DC | ZH6-C40/2-1000DC | ZH6-C40/2-1300DC |
| ZH6-B60/2-1300DC | ZH6-B80/2-1300DC | ZH6-B100/2-1300DC | ZH6-C40/3-500DC | ZH6-C40/3-650DC | ZH6-C40/3-800DC |
| ZH6-C40/3-1000DC | ZH6-C40/3-1300DC | ZH6-B60/3-1300DC | ZH6-B80/3-1300DC | ZH6-B100/3-1300DC | ZH6-C40/3-690 |
| ZH6-C40/4-690 | ZH6-B80/3-690 | ZH6-B80/4-690 | ZH6-B100/3-690 | ZH6-B100/4-690 | ZH6-B160/3-690 |
| ZH6-B160/4-690 | ZH8-4XB40 | ZH8-4XB60 | ZHS-DV3/24 | ZHS-DV3/220 | ZHS-DV2/24 |
| ZHS-DV2/220 | ZHS-DV2/S | ZHV-BNC | ZHV-BNC/16 | ZHV-BNC-F | ZHN-RJ45 |
| ZHN-RJ11/24 | ZHN-RJ11/48 | ZHN-RJ11/110 |




