ZH6-C40/3-650 DC/4P直流光伏专用电涌保护器
阅读次数:153 发布时间:2026-03-24
邦华电气ZH6-C40/3-650 DC/4P直流光伏专用SPD——你的光伏系统防护铠甲
专为光伏直流侧设计,精准适配650V直流系统,以40kA高通流容量筑牢防护防线,邦华电气厂家直供无中间环节,2年质保全程护航,一站式解决光伏SPD采购全流程痛点,兼顾防护可靠性与采购性价比,让你采购省心、用得放心。
一、ZH6-C40/3-650 DC/4P直流光伏专用电涌保护器产品概述:
作为光伏系统直流侧安全防护的核心专用设备,邦华电气ZH6-C40/3-650 DC/4P直流光伏专用浪涌保护器,专为太阳能光伏发电系统直流回路量身打造,可快速钳制光伏系统中雷击、组件启停、电网波动产生的瞬时过电压,高效泄放浪涌电流,有效避免浪涌冲击损坏光伏组件、逆变器、汇流箱等核心设备,保障光伏系统连续稳定发电,减少停机损失。

结合光伏行业采购人员高频痛点,该型号无需复杂调试,精准适配650V直流光伏系统,适配多数现有光伏配电架构,大幅降低后期维护成本,彻底解决“参数不匹配、安装繁琐、户外易损坏”的采购难题。
该型号严格遵循IEC 61643-11标准及国家3C认证要求,由邦华电气自主研发生产,兼顾防护性能与安装便捷性,可根据你的光伏系统参数(直流电压、接线方式)灵活适配,无论是分布式光伏、集中式光伏,还是户外光伏电站、屋顶光伏项目,都能提供精准、可靠的浪涌防护。同时,邦华电气厂家直供,可提供完整检测报告,解决你采购时“选不对、用不上、品质无保障”的核心痛点,让采购更省心、更放心。
二、ZH6-C40/3-650 DC/4P核心参数:

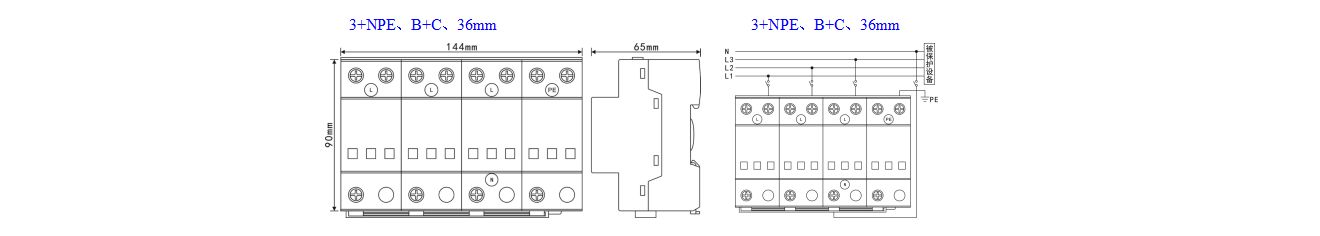
三、ZH6-C40/3-650 DC/4P直流光伏专用电涌保护器尺寸图及接线图:

四、系统接线图:

五、ZH6-C40/3-650 DC/4P直流光伏专用电涌保护器核心特点:
- 光伏专属,适配性极强:邦华电气ZH6-C40/3-650 DC/4P专为650V直流光伏系统设计,精准匹配光伏组件、汇流箱、逆变器之间的直流回路,无论是集中式还是分布式光伏,都能高效泄放浪涌电流、钳制过电压,杜绝“防护失效或资源浪费”,彻底解决光伏行业“参数不匹配”核心痛点,同时可与邦华其他系列SPD配合,构建光伏系统全面防护体系。
- 户外耐用,维护便捷:采用UL94 V0级高温阻燃玻纤外壳及优质核心元器件,耐高低温(-40℃~+80℃)、抗老化、防腐蚀,适配光伏户外恶劣环境;自带LED工作状态指示,绿色正常、红色失效,故障一目了然,无需频繁巡检,降低后期维护人力成本,解决“户外维护繁琐、故障难发现”痛点。
- 合规达标,品质可控:由邦华电气自主研发生产,严格遵循IEC 61643-11、GB 18802.1标准,通过国家3C认证,每台产品均经过严格出厂检测,采购后可提供完整检测报告及合格证书,支持第三方复检,规避“品质无保障、无法通过光伏项目验收”风险,解决采购核心顾虑。
- 厂家直供,高性价比:邦华电气厂家直供,无中间环节,批量采购可享专属优惠,大幅降低你的采购成本;同时提供完善的售后保障,2年官方质保,安装指导、故障更换快速响应,解决“售后响应慢、采购成本高”痛点。
- 安全可靠,防护全面:内置过热、过流脱离机构,搭配可视状态窗口,可有效防止SPD故障引发的二次隐患;4P(3+1)全极保护设计,无防护盲区,同时保护光伏直流侧正、负极及接地,避免单极过电压引发设备损坏,守护光伏系统全链路安全。
六、ZH6-C40/3-650 DC/4P直流光伏专用电涌保护器适用场景:
- 集中式光伏电站:适配集中式光伏电站的光伏组件串、汇流箱输入端/输出端、逆变器直流输入端,可抵御户外强雷击浪涌,保护电站核心设备,减少因浪涌导致的停机损失,适配LPZ0-2区域界面防护,可实现II级粗保护和III级细保护。
- 分布式光伏项目:涵盖工业厂房屋顶、商业楼宇屋顶、居民住宅屋顶光伏系统,适配组件与汇流箱之间、汇流箱与逆变器之间的直流回路,体积小巧、安装便捷,无需改造现有配电架构,适配各类屋顶光伏的狭小安装空间。
- 户外光伏场景:光伏农业大棚、户外光伏电站、荒漠光伏基地等露天场景,常规IP20适配汇流箱内部,可定制IP65高防护等级,抵御风吹、日晒、雨淋、沙尘等恶劣环境,避免SPD因环境因素损坏,保障防护性能稳定。
- 光伏储能配套:适配光伏储能系统的直流侧回路,保护储能电池、储能逆变器等设备,防止浪涌冲击导致的电池损坏、储能系统故障,适配光伏储能一体化项目的防护需求。
- 其他光伏衍生场景:光伏充电桩、便携式光伏设备、光伏路灯等小型光伏系统的直流侧防护,可根据设备功率灵活适配,提供精准浪涌防护,保障小型光伏设备稳定运行。

七、常见疑问解答:
- Q1:该型号与普通直流SPD有何区别,我该怎么判断是否适配我的光伏项目?
A:核心区别在于“光伏专属适配”——普通直流SPD无法精准匹配光伏系统650V直流电压和户外工况,而邦华ZH6-C40/3-650 DC/4P专为光伏设计,650V额定电压、40kA高通流容量,适配光伏直流侧全链路防护。若你的光伏系统直流电压为650V,无论是集中式、分布式还是户外场景,优先选择该型号;若电压不同,可联系邦华电气顾问,匹配对应规格光伏专用SPD,避免盲目采购。
- Q2:采购后如何确认产品质量?是否有相关认证和检测报告?
A:所有产品均为邦华电气原厂生产,通过国家3C认证、IEC 61643-11标准检测,采购后可免费提供检测报告、合格证书及出厂检验记录,支持第三方复检,确保品质达标,完全满足光伏项目验收需求,彻底打消你的品质顾虑。
- Q3:批量采购有优惠吗?供货周期多久,能否按时交付?
A:批量采购可享邦华电气厂家直供专属优惠,具体优惠力度根据采购量协商;该型号为常规量产型号,供货周期3-5个工作日,定制IP65防护等特殊规格可加急生产,确保不耽误你的光伏项目进度,兼顾成本与效率。
- Q4:安装复杂吗?是否提供安装指导和售后服务?
A:产品采用模块化设计,适配35mm标准DIN导轨,自带清晰接线示意图,安装简单,可由电工快速完成;邦华电气提供免费安装指导(线上视频+线下上门,根据采购量安排),售后支持7×24小时响应,质保期2年,故障更换、维修及时,无需担心后期使用问题。
- Q5:该型号的使用寿命多久,需要定期更换吗?
A:正常使用情况下,使用寿命可达5-8年,产品自带LED劣化指示,当指示灯显示红色时,及时更换即可;邦华电气会定期提醒你进行巡检维护,同时提供免费巡检指导,降低维护成本,确保光伏系统防护不中断。
- Q6:采购后发现型号不匹配,能否退换货?
A:支持无理由退换货(未安装、未损坏、不影响二次销售前提下),同时邦华电气会在采购前安排专业顾问,协助你核对光伏系统参数(电压、接线方式、场景),最大程度避免型号不匹配问题,让你采购无后顾之忧。
- Q7:2年质保具体包含哪些服务?
A:2年质保期内,产品出现非人为损坏(如元器件故障、防护失效等),邦华电气免费提供维修、更换服务,同时提供免费技术支持和巡检指导,质保期结束后可提供终身维护服务,彻底解决你的售后顾虑。
选择邦华电气ZH6-C40/3-650 DC/4P直流光伏专用浪涌保护器,就是选择省心、可靠的光伏防护方案——无需纠结参数匹配,无需担心品质问题,无需顾虑售后保障,一站式解决光伏SPD采购全流程痛点。
作为专注电气防护多年的厂家,邦华电气以优质产品、合理价格、完善售后,为你的光伏项目保驾护航。现在咨询采购,可获取专属报价、免费样品及完整参数手册,批量采购更有额外优惠,快速锁定适配你的光伏专用浪涌防护产品,守护你的光伏系统安全稳定发电,降低采购与运维成本。
光伏系统的高效发电,始于精准防护;高效的采购,源于选对产品。邦华电气ZH6-C40/3-650 DC/4P直流光伏专用浪涌保护器,以光伏专属参数适配需求,以邦华品质赢得信任,以2年质保解决顾虑,帮你规避采购误区、控制成本,彻底解决“参数不匹配、户外适配差、品质无保障、售后响应慢”等光伏行业高频痛点,为你的光伏系统筑牢浪涌防护防线。
相关产品:
| ZH1-A15/2-275 | ZH1-A15/1+NPE-275 | ZH1-A15/3-275 | ZH1-A15/4-275 | ZH1-A15/3+NPE-275 | ZH1-A25/2-275 |
| ZH1-A25/1+NPE-275 | ZH1-A25/3-275 | ZH1-A25/4-275 | ZH1-A25/3+NPE-275 | ZH1-A35/2-275 | ZH1-A35/1+NPE-275 |
| ZH1-A35/3-275 | ZH1-A35/4-275 | ZH1-A35/3+NPE-275 | ZH1-A50/2-275 | ZH1-A50/1+NPE-275 | ZH1-A50/3-275 |
| ZH1-A50/4-275 | ZH1-A50/3+NPE-275 | ZH1-B150/2-420 | ZH1-B150/3-420 | ZH1-B150/4-420 | ZH1-B120/2-420 |
| ZH1-B120/3-420 | ZH1-B120/4-420 | ZH1-B100/2-420 | ZH1-B100/1+NPE-420 | ZH1-B100/3-420 | ZH1-B100/3+NPE-420 |
| ZH1-B100/4-420 | ZH1-B80/2-420 | ZH1-B80/1+NPE-420 | ZH1-B80/3-420 | ZH1-B80/3+NPE-420 | ZH1-B80/4-420 |
| ZH1-B60/2-420 | ZH1-B60/1+NPE-420 | ZH1-B60/3-420 | ZH1-B60/3+NPE-420 | ZH1-B60/4-420 | ZH1-C40/2-420 |
| ZH1-C40/1+NPE-420 | ZH1-C40/3-420 | ZH1-C40/3+NPE-420 | ZH1-C40/4-420 | ZH1-D25/2-385 | ZH1-D25/1+NPE-385 |
| ZH1-D25/3-385 | ZH1-D25/3+NPE-385 | ZH1-D25/4-385 | ZH2-DC24 | ZH2-DC48 | ZH2-DC110 |
| ZH2-DC220 | ZH6-C40/2-500DC | ZH6-C40/2-650DC | ZH6-C40/2-800DC | ZH6-C40/2-1000DC | ZH6-C40/2-1300DC |
| ZH6-B60/2-1300DC | ZH6-B80/2-1300DC | ZH6-B100/2-1300DC | ZH6-C40/3-500DC | ZH6-C40/3-650DC | ZH6-C40/3-800DC |
| ZH6-C40/3-1000DC | ZH6-C40/3-1300DC | ZH6-B60/3-1300DC | ZH6-B80/3-1300DC | ZH6-B100/3-1300DC | ZH6-C40/3-690 |
| ZH6-C40/4-690 | ZH6-B80/3-690 | ZH6-B80/4-690 | ZH6-B100/3-690 | ZH6-B100/4-690 | ZH6-B160/3-690 |
| ZH6-B160/4-690 | ZH8-4XB40 | ZH8-4XB60 | ZHS-DV3/24 | ZHS-DV3/220 | ZHS-DV2/24 |
| ZHS-DV2/220 | ZHS-DV2/S | ZHV-BNC | ZHV-BNC/16 | ZHV-BNC-F | ZHN-RJ45 |
| ZHN-RJ11/24 | ZHN-RJ11/48 | ZHN-RJ11/110 |




