ZH6-C40/2-650 DC/4P电涌保护器 SPD 防雷器
阅读次数:153 发布时间:2026-03-25
ZH6-C40/2-650 DC/4P电涌保护器(SPD)—— 您的直流配电系统防雷防浪涌核心屏障
邦华电气专业供应 ZH6-C40/2-650 DC/4P 电涌保护器,符合国标 GB50057 规范,提供完整检测报告,光伏直流专用,现货直供,为您的直流配电系统提供可靠浪涌防护解决方案。
一、ZH6-C40/2-650 DC/4P电涌保护器详细概述:
ZH6-C40/2-650 DC/4P 电涌保护器,专为解决您在光伏直流发电、工业直流控制、通信直流供电等场景中,遇到的雷击浪涌、操作过电压损坏逆变器、控制柜、精密通信设备的痛点而生。我们针对直流系统的工况特性做了专项优化,无论是极端雷击环境下的大电流快速泄放,还是日常配电系统的操作过电压精准抑制,都能稳定响应,避免您的核心设备因浪涌冲击出现故障、停机,大幅降低您的设备维护成本与停产损失。

本型号 ZH6-C40/2-650 DC/4P SPD 电涌保护器,全系列产品均通过国家权威机构型式试验,每一台产品出厂前均经过全项性能检测,确保符合您项目的验收规范与设计要求。我们提供完整的资质文件、免费选型指导与售后技术支持,从采购前的参数匹配,到安装后的调试维护,全流程为您保驾护航,让您采购省心、使用放心。
针对直流系统的特殊防护需求,ZH6-C40/2-650 DC/4P 电涌保护器采用直流专用高能压敏电阻芯片,具备优异的反向耐压特性,完美适配 DC650V 直流电压工况,4P 结构可全面覆盖直流系统的全回路防护,无需额外改造即可直接安装使用,大幅缩短您的项目施工周期。
二、ZH6-C40/2-650 DC/4P电涌保护器核心技术参数表:

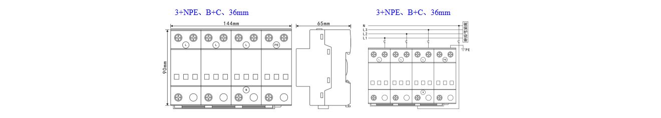
三、ZH6-C40/2-650 DC/4P电涌保护器尺寸图:

四、系统接线图:

核心安装规范:
本产品需安装在直流配电柜、光伏汇流箱、逆变器直流侧进线端,采用 35mm 标准导轨安装,安装时需确保接线牢固,接触良好,正负极接线对应无误,严禁反接。
接线线径需符合国标规范,本产品相线接线线径≥6mm²,接地线线径≥10mm²,优先采用多股铜芯绝缘导线。
产品接地线需短而直,长度不宜超过 0.5 米,减少引线电感对保护水平的影响,确保浪涌泄放效果与防护性能。
产品安装时需预留足够的散热空间,避免与发热设备紧邻安装,严禁在潮湿、粉尘、强腐蚀环境中安装使用,确保产品长期稳定运行。
产品故障窗口显示红色时,表明产品已失效,需立即更换同型号产品,避免失去防护作用。
五、ZH6-C40/2-650 DC/4P电涌保护器核心优势与特点:
直流专用适配,精准匹配项目设计要求
本型号产品专为 DC650V 直流系统定制开发,核心参数完全贴合国标规范与光伏、工业等项目设计图纸要求,无需修改设计方案即可直接采购使用,避免您因参数不符、交直流混用出现项目验收不通过的问题。
纳秒级快速响应,全方位守护设备安全
采用进口高品质直流专用压敏电阻芯片,响应时间≤25ns,纳秒级快速响应雷击浪涌与操作过电压,可在极短时间内泄放大电流,并将过电压限制在安全范围,全方位保护您的逆变器、PLC、通信设备、直流仪表等精密电气设备不受损坏。
严苛品控标准,资质齐全验收无忧
每一台 ZH6-C40/2-650 DC/4P 电涌保护器均经过 7 道出厂全项检测,全系列产品具备国家权威机构型式试验报告、质检合格证明,完全满足光伏建筑、工业厂房、市政交通、通信基站等各类项目的验收要求,随货提供全套资质文件,让您项目验收全程无忧。
便捷安装设计,降低施工维护成本
采用标准 35mm 导轨安装设计,体积小巧,适配各类直流配电柜、汇流箱、控制柜的安装空间;自带可视化故障指示窗口,正常 / 故障状态一目了然,无需专业工具即可快速判断产品状态,大幅降低您的安装施工与后期维护成本。
现货充足供应,批量采购更具性价比
ZH6-C40/2-650 DC/4P 电涌保护器常备大量现货,支持小批量试样与大批量集采,常规订单下单后 24 小时内即可发货,缩短您的采购周期;同时为长期合作客户提供专属集采优惠,让您在保障产品品质的同时,进一步降低采购成本。
六、ZH6-C40/2-650 DC/4P电涌保护器适配应用场景:
新能源光伏发电系统
集中式地面光伏电站:适配电站直流汇流箱、组串式 / 集中式逆变器直流侧、直流配电柜的二级浪涌防护
分布式工商业光伏电站:适配厂房屋顶光伏系统的直流配电单元、逆变器输入端、并网点直流回路防护
户用分布式光伏系统:适配家庭光伏并网柜、小型逆变器直流侧、家用储能直流回路的浪涌防护
光伏储能一体化系统:适配储能电池簇、PCS 变流器直流侧、光储充一体化电站直流配电单元的过电压防护
工业直流配电与自动化系统
工厂直流控制柜、直流调速系统、PLC 直流供电回路、直流传感器的浪涌防护
化工、矿山、冶金等行业的直流操作电源、应急直流供电系统、防爆直流回路的防雷防护
自动化生产线直流伺服系统、工业机器人直流控制回路的过电压防护
轨道交通直流供电系统
地铁、轻轨的直流牵引供电系统、信号控制系统直流回路、车载直流设备的浪涌防护
轨道交通站台、隧道内的直流照明、视频监控、消防报警系统的过电压防护
通信与数据中心直流电源系统
三大运营商通信基站、边缘计算站点的 - 48V 直流供电系统、UPS 直流后备电源的浪涌防护
数据中心精密设备直流供电回路、服务器直流电源模块、机房动环监控系统的防雷保护
新能源充换电基础设施
直流快充充电桩、换电站的直流充电回路、配电系统、BMS 电池管理系统的浪涌防护
港口岸电直流供电系统、电动重卡充换电站的直流配电单元过电压防护

七、常见问题解答:
问:ZH6-C40/2-650 DC/4P 电涌保护器是几级防护?适用于什么位置?
答:ZH6-C40/2-650 DC/4P 电涌保护器为 T2 级直流浪涌保护器,适用于直流配电系统的二级防护,核心适配光伏电站汇流箱、逆变器直流侧、直流配电柜等位置,可直接匹配您的项目设计图纸的防护等级要求。
问:采购 ZH6-C40/2-650 DC/4P 电涌保护器,是否提供型式试验报告和验收资质?
答:可以。我们为每一笔订单都提供对应的完整型式试验报告、产品合格证等全套资质文件,完全满足您的光伏、工业、市政等各类项目的验收要求,您可在采购时直接向客服索要。
问:质保周期是多久?出现故障怎么办?
答:本型号质保周期为 2 年,质保期内出现非人为损坏的产品质量问题,我们免费为您更换新品,同时提供全程免费技术支持,快速解决您的安装、使用各类难题。
问:有没有现货?下单后多久可以发货?
答:常备大量现货,常规订单下单后 24 小时内即可发货,大批量集采订单可提前与我们沟通,优先排单生产,全力保障您的项目工期不受影响。
问:ZH6-C40/2-650 DC/4P 电涌保护器可以用在交流配电系统吗?
答:本型号为直流专用电涌保护器,额定工作电压为 DC650V,专为直流配电工况设计优化,不可用于交流配电系统。如需交流系统专用浪涌保护器,可联系我们为您推荐对应适配型号。
问:ZH6-C40/2-650 DC/4P 电涌保护器是否需要搭配后备保护器使用?
答:为保障产品与配电系统的安全,建议 ZH6-C40/2-650 DC/4P 电涌保护器前端配套适配规格的直流熔断器或直流后备保护器使用,我们可同步为您提供配套选型方案。
如果您正在为光伏、工业、通信等项目采购 ZH6-C40/2-650 DC/4P 电涌保护器,或是需要匹配对应参数的直流 SPD 防雷产品,欢迎随时联系邦华电气,我们可为您提供免费的选型指导、参数核对与报价服务,全系列产品资质齐全、现货充足、支持定制,2 年质保全程护航,为您的直流电气系统提供全周期的可靠防护,让您采购无忧、使用安心。
相关产品:
| ZH1-A15/2-275 | ZH1-A15/1+NPE-275 | ZH1-A15/3-275 | ZH1-A15/4-275 | ZH1-A15/3+NPE-275 | ZH1-A25/2-275 |
| ZH1-A25/1+NPE-275 | ZH1-A25/3-275 | ZH1-A25/4-275 | ZH1-A25/3+NPE-275 | ZH1-A35/2-275 | ZH1-A35/1+NPE-275 |
| ZH1-A35/3-275 | ZH1-A35/4-275 | ZH1-A35/3+NPE-275 | ZH1-A50/2-275 | ZH1-A50/1+NPE-275 | ZH1-A50/3-275 |
| ZH1-A50/4-275 | ZH1-A50/3+NPE-275 | ZH1-B150/2-420 | ZH1-B150/3-420 | ZH1-B150/4-420 | ZH1-B120/2-420 |
| ZH1-B120/3-420 | ZH1-B120/4-420 | ZH1-B100/2-420 | ZH1-B100/1+NPE-420 | ZH1-B100/3-420 | ZH1-B100/3+NPE-420 |
| ZH1-B100/4-420 | ZH1-B80/2-420 | ZH1-B80/1+NPE-420 | ZH1-B80/3-420 | ZH1-B80/3+NPE-420 | ZH1-B80/4-420 |
| ZH1-B60/2-420 | ZH1-B60/1+NPE-420 | ZH1-B60/3-420 | ZH1-B60/3+NPE-420 | ZH1-B60/4-420 | ZH1-C40/2-420 |
| ZH1-C40/1+NPE-420 | ZH1-C40/3-420 | ZH1-C40/3+NPE-420 | ZH1-C40/4-420 | ZH1-D25/2-385 | ZH1-D25/1+NPE-385 |
| ZH1-D25/3-385 | ZH1-D25/3+NPE-385 | ZH1-D25/4-385 | ZH2-DC24 | ZH2-DC48 | ZH2-DC110 |
| ZH2-DC220 | ZH6-C40/2-500DC | ZH6-C40/2-650DC | ZH6-C40/2-800DC | ZH6-C40/2-1000DC | ZH6-C40/2-1300DC |
| ZH6-B60/2-1300DC | ZH6-B80/2-1300DC | ZH6-B100/2-1300DC | ZH6-C40/3-500DC | ZH6-C40/3-650DC | ZH6-C40/3-800DC |
| ZH6-C40/3-1000DC | ZH6-C40/3-1300DC | ZH6-B60/3-1300DC | ZH6-B80/3-1300DC | ZH6-B100/3-1300DC | ZH6-C40/3-690 |
| ZH6-C40/4-690 | ZH6-B80/3-690 | ZH6-B80/4-690 | ZH6-B100/3-690 | ZH6-B100/4-690 | ZH6-B160/3-690 |
| ZH6-B160/4-690 | ZH8-4XB40 | ZH8-4XB60 | ZHS-DV3/24 | ZHS-DV3/220 | ZHS-DV2/24 |
| ZHS-DV2/220 | ZHS-DV2/S | ZHV-BNC | ZHV-BNC/16 | ZHV-BNC-F | ZHN-RJ45 |
| ZHN-RJ11/24 | ZHN-RJ11/48 | ZHN-RJ11/110 |




