ZH1-C40/2-420/4P过电压保护器(SPD)
阅读次数:175 发布时间:2026-03-31
ZH1-C40/2-420/4P过电压保护器(SPD)—— 以精准防护守护你的电气安全
一、ZH1-C40/2-420/4P过电压保护器产品概述:
你在采购过电压保护器时,最关注适配性、可靠性和采购性价比——ZH1-C40/2-420/4P过电压保护器(SPD),是邦华电气针对各类电气系统防雷防护痛点打造的核心产品,聚焦低压配电系统二级防护需求,可广泛应用于工业、商业、民用、新能源辅助等多类场景,有效抑制瞬时过电压冲击,避免因浪涌导致的设备故障、停产损失、安全隐患,为你的电气系统筑牢第一道防护屏障。

作为采购优选,该型号过电压保护器严格遵循国家最新执行标准GB/T 18802.11-2020,经过邦华电气自有工厂严格的质量检测,每一台产品均符合出厂标准,稳定性强、使用寿命长,无需复杂维护,既能满足你的采购合规要求,也能降低后续使用成本;同时适配交流50/60Hz工频系统,额定电压420V,采用4P三相四线全极防护设计,无需额外改造配电设备即可安装,大幅提升你的采购及施工效率,适配多数建筑及工业配电系统配置。
二、ZH1-C40/2-420/4P过电压保护器参数表:

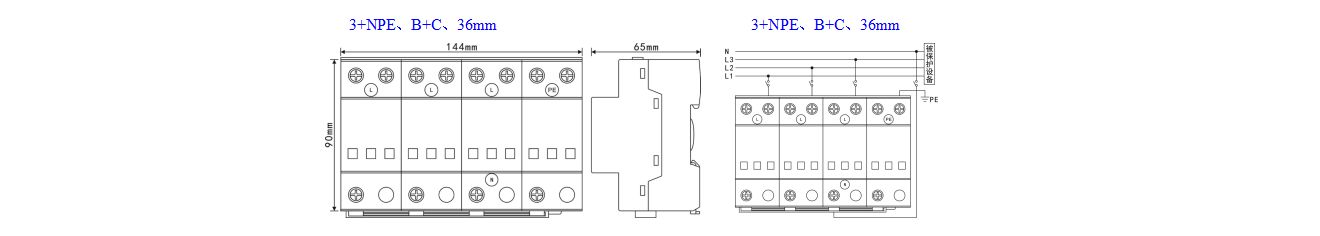
三、ZH1-C40/2-420/4P过电压保护器尺寸图及接线图:

四、系统接线图:

五、ZH1-C40/2-420/4P过电压保护器核心优势:
- 高适配性:适配工业、商业、民用、新能源辅助等多场景,兼容TT、IT、TN-S、TN-C和TN-C-S多种供电系统,支持35mm DIN导轨式安装,采购后可直接对接施工,无需额外适配调整,节省你的采购沟通及施工成本。
- 高可靠性:采用优质压敏电阻核心元器件,内置温控断路技术及热脱扣装置,响应速度≤25ns,保护通流量可达40kA,能快速拦截各类浪涌冲击,杜绝因防护失效导致的设备损坏,邦华电气严苛品控,确保产品长期稳定运行。
- 高性价比:邦华电气源头工厂直供,无中间环节,在保证品质达标的前提下,给出更具竞争力的采购价格;同时支持批量采购优惠,搭配2年质保服务,大幅降低你的采购及后期运维成本。
- 易选型:参数清晰、规格明确,标注详细的适配场景及供电要求,适配采购人员快速核对需求,可根据自身场景灵活选用,避免选型失误,提升采购效率,同时可提供详细参数表及选型指导。
- 强售后保障:邦华电气提供2年免费质保服务,非人为损坏可免费更换、维修;配备专属采购顾问及技术团队,30分钟内响应疑问,全程一对一对接,解决你的采购及使用后顾之忧。
六、ZH1-C40/2-420/4P过电压保护器适配场景:
1. 工业配电场景:各类厂房配电箱、车间配电柜、自动化生产线配电系统、矿山机械配电、石油化工设施辅助配电,用于抑制操作过电压及感应雷击浪涌;
2. 商业建筑场景:写字楼、商场、酒店、超市的配电间、楼层配电箱,保护空调、电梯、照明等电气设备;
3. 民用住宅场景:小区配电房、单元楼配电箱、别墅独立配电系统,防护家用电气及住宅配电设备;
4. 新能源辅助场景:光伏电站辅助配电系统、风电场配套低压配电、储能电站低压侧配电,适配新能源场景电压波动需求;
5. 公共设施场景:学校、医院、社区服务中心、交通枢纽的低压配电系统,保障公共电气设备安全稳定运行。

七、常见疑问解答:
- 问:ZH1-C40/2-420/4P过电压保护器,批量采购有优惠吗?
答:有,邦华电气支持批量采购,采购量≥30台可享专属优惠,无中间商差价,采购量越大优惠力度越高,同时提供批量送货上门、专属售后对接服务,最大程度降低你的采购成本。
- 问:该型号SPD的安装难度大吗?是否需要专业人员?
答:安装简单,采用标准35mm DIN导轨式安装,配套完整安装说明书、接线图,无需复杂工具,普通电工即可操作;若你有需求,邦华电气可提供专业安装指导,确保安装规范、防护有效。
- 问:采购后,产品出现质量问题如何处理?
答:邦华电气提供2年免费质保,质保期内出现非人为损坏,可免费更换、维修;售后响应及时,30分钟内对接疑问,快速处理质量问题,避免影响你的施工进度。
- 问:该型号SPD是否符合采购合规要求?
答:完全符合国家GB/T 18802.11-2020执行标准,邦华电气可提供完整的检测报告、合格证书,支持资质核验,满足各类场景的采购合规需求,让你采购无顾虑。
- 问:如何确认该型号是否适配我的使用场景?
答:可提供你的场景供电规格、防护需求(如是否为雷电高发区、设备类型),邦华电气专业技术人员将快速核对适配性,给出明确答复,同时提供选型建议,避免选型失误。
- 问:邦华电气的供货周期有保障吗?
答:有保障,ZH1-C40/2-420/4P常规型号现货充足,当日下单次日发货;定制款明确交期(一般3-7天),全程同步生产、物流进度,不耽误你的工程/生产进度。
选择邦华电气ZH1-C40/2-420/4P过电压保护器(SPD),无需纠结选型、无需担心品质、无需顾虑售后,精准匹配你的采购需求,以高适配性覆盖多元场景,以严苛品质抵御浪涌风险,以厂家直供的高性价比、2年质保的全方位保障,为你的电气系统提供全方位防雷防护。邦华电气深耕配电防护领域,源头把控品质,全程对接服务,让你省心采购、安心使用,期待与你达成合作,共筑电气安全防线。
相关产品:
| ZH1-A15/2-275 | ZH1-A15/1+NPE-275 | ZH1-A15/3-275 | ZH1-A15/4-275 | ZH1-A15/3+NPE-275 | ZH1-A25/2-275 |
| ZH1-A25/1+NPE-275 | ZH1-A25/3-275 | ZH1-A25/4-275 | ZH1-A25/3+NPE-275 | ZH1-A35/2-275 | ZH1-A35/1+NPE-275 |
| ZH1-A35/3-275 | ZH1-A35/4-275 | ZH1-A35/3+NPE-275 | ZH1-A50/2-275 | ZH1-A50/1+NPE-275 | ZH1-A50/3-275 |
| ZH1-A50/4-275 | ZH1-A50/3+NPE-275 | ZH1-B150/2-420 | ZH1-B150/3-420 | ZH1-B150/4-420 | ZH1-B120/2-420 |
| ZH1-B120/3-420 | ZH1-B120/4-420 | ZH1-B100/2-420 | ZH1-B100/1+NPE-420 | ZH1-B100/3-420 | ZH1-B100/3+NPE-420 |
| ZH1-B100/4-420 | ZH1-B80/2-420 | ZH1-B80/1+NPE-420 | ZH1-B80/3-420 | ZH1-B80/3+NPE-420 | ZH1-B80/4-420 |
| ZH1-B60/2-420 | ZH1-B60/1+NPE-420 | ZH1-B60/3-420 | ZH1-B60/3+NPE-420 | ZH1-B60/4-420 | ZH1-C40/2-420 |
| ZH1-C40/1+NPE-420 | ZH1-C40/3-420 | ZH1-C40/3+NPE-420 | ZH1-C40/4-420 | ZH1-D25/2-385 | ZH1-D25/1+NPE-385 |
| ZH1-D25/3-385 | ZH1-D25/3+NPE-385 | ZH1-D25/4-385 | ZH2-DC24 | ZH2-DC48 | ZH2-DC110 |
| ZH2-DC220 | ZH6-C40/2-500DC | ZH6-C40/2-650DC | ZH6-C40/2-800DC | ZH6-C40/2-1000DC | ZH6-C40/2-1300DC |
| ZH6-B60/2-1300DC | ZH6-B80/2-1300DC | ZH6-B100/2-1300DC | ZH6-C40/3-500DC | ZH6-C40/3-650DC | ZH6-C40/3-800DC |
| ZH6-C40/3-1000DC | ZH6-C40/3-1300DC | ZH6-B60/3-1300DC | ZH6-B80/3-1300DC | ZH6-B100/3-1300DC | ZH6-C40/3-690 |
| ZH6-C40/4-690 | ZH6-B80/3-690 | ZH6-B80/4-690 | ZH6-B100/3-690 | ZH6-B100/4-690 | ZH6-B160/3-690 |
| ZH6-B160/4-690 | ZH8-4XB40 | ZH8-4XB60 | ZHS-DV3/24 | ZHS-DV3/220 | ZHS-DV2/24 |
| ZHS-DV2/220 | ZHS-DV2/S | ZHV-BNC | ZHV-BNC/16 | ZHV-BNC-F | ZHN-RJ45 |
| ZHN-RJ11/24 | ZHN-RJ11/48 | ZHN-RJ11/110 |




